各人都在搜:运送机械装备滚筒运送机托辊运送装备
各人都在搜:运送机械装备滚筒运送机托辊运送装备
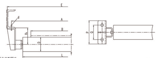
平行上托辊产品参数
平行下托辊产品参数
平行托辊是用于运送成件物品的带式运送机载荷侧支承。。。。
平行托辊可分为平行上托辊、平行下托辊。。。。
托辊是带式运送机的主要部件,,,,,种类多,,,,,数目大。。。。它占了一台带式运送机总本钱的35%,,,,,爆发了70%以上的阻力,,,,,因此托辊的质量尤为主要。。。。
托辊的作用是支持运送带和物料重量。。。。托辊运转无邪可靠。。。。镌汰运送带同托辊的摩擦力,,,,,对占运送机总本钱25%以上的运送带的寿命起着要害作用。。。。虽然托辊在带式运送机中是一个较小部件,,,,,结构并不重大,,,,,但制造出高质量的托辊并非易事。。。。
本公司产品主要优点:寿命长,,,,,节能性高
1、选用托辊无缝钢管。。。。
2、定制哈/瓦/洛的托轴轴承,,,,,使用寿命显着增添,,,,,质地轻盈,,,,,操作利便;;
3、接纳密封;;润滑油脂不漏,,,,,可以防尘;;
4、高耐温顺低温;;能在零下40-120度的情形下事情。。。。
5、耐侵蚀;;能耐盐、碱、酸,,,,,顺应卑劣的事情情形;;
6、优异的机械性能;;强度高,,,,,韧性好,,,,,抗摔性强;;
7、不粘结:外貌平滑不粘物料,,,,,中空装置能使带沾物自行脱落;;
8、经济效益高,,,,,能降低维修工时等运行本钱,,,,,提高经济效益。。。。
咨询 QQ:1210189900
还可以关注我们微信公众号:sjssjx
0510-86179580
0510-68823303